Temperaturwert = Farbwert | temperature value = colour value |
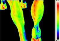
Rasmus - Pferd mit Arthrose - Horse with Osteoarthritis

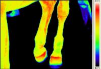
Walzertraum - Pferd nach Sehnen-OP - Horse after tendon operation



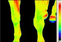
Rasmus - Pferd mit Arthrose - Horse with Osteoarthritis![]() Walzertraum - Pferd nach Sehnen-OP - Horse after tendon operation
Haben Sie Fragen zur Thermografie?Dann rufen Sie uns einfach an, Telefon 02161 561579 |