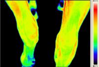
Temperaturwert = Farbwert | temperature value = colour value |
Surprise - Traberstute im kalten Zustand - Trotter Mare in cold condition

Surprise - Traberstute im kalten Zustand - Trotter Mare in cold condition |